


贵港市2025年6月建设工程造价信息
“贵港市建设工程造价信息”简称“贵港市造价信息”或“贵港市建设工程信息价”,是贵港市建设工程主管部门发布的建筑建材市场指导价。
贵港市建筑工程材料信息价是贵港市建设工程项目造价管理、投资估算、设计概算、施工图预算、招标投标、招标控制价编制、投标报价编制、财政评审、竣工结算、审计、工程仲裁等工作的重要官方依据。
贵港市信息价包含区域:贵港市。
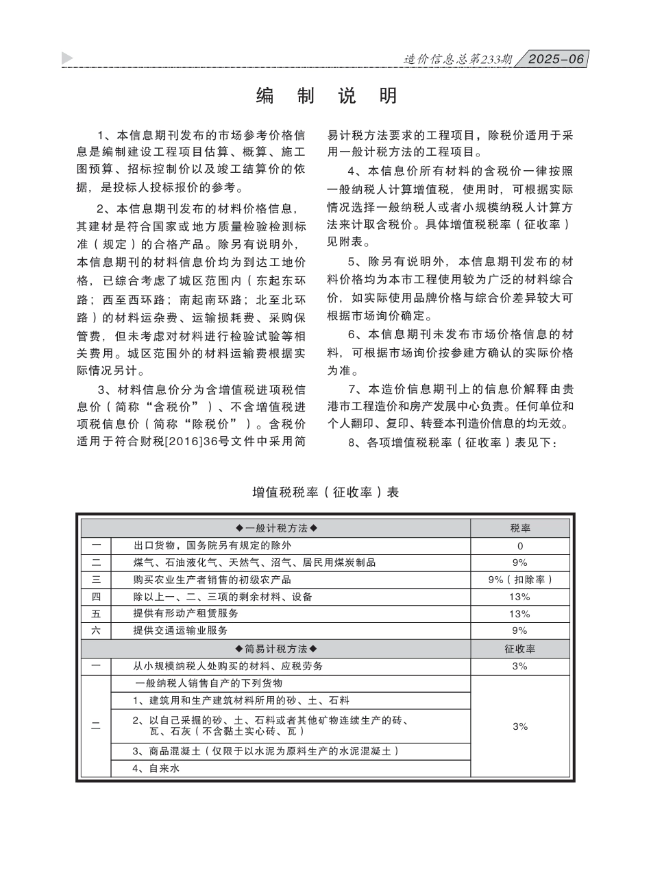
贵港市建材信息价包含内容有:土建、装饰、安装、市政、园林等专业工程材料价格、人工价格、机械租赁价格。
贵港市2025年第6期工程造价信息下载,贵港市2025年6月建筑工程材料信息价查询。
1、当您付费下载文档后,您只拥有了使用权限,并不意味着购买了版权,文档只能用于自身使用,不得用于其他商业用途(如转卖或编辑后售卖)。
2、本站所有内容均由合作方或网友上传,本站不对文档的完整性、权威性及其观点立场正确性做任何保证或承诺!文档内容仅供研究参考,付费前请自行鉴别。
3、如文档内容存在违规,或者侵犯商业秘密、侵犯著作权等,请点击“违规举报”。
Q1.我下载的文件找不到了?
A.Windows电脑快捷键“Ctrl+j”,苹果(Mac)电脑按(“⌘+j”),(几乎适用所有的浏览器)。点击相应的快捷键后看电脑屏幕右上角!









