JCT882-2001 幕墙玻璃接缝用密封胶.pdfVIP免费

JCT882-2001 幕墙玻璃接缝用密封胶.pdf_第1页
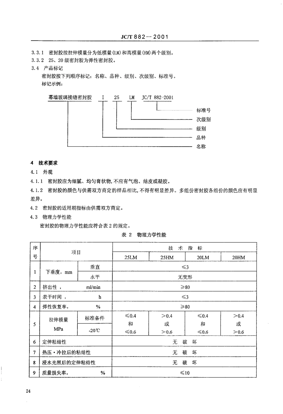
JCT882-2001 幕墙玻璃接缝用密封胶.pdf_第2页
JCT882-2001 幕墙玻璃接缝用密封胶.pdf_第3页

1、当您付费下载文档后,您只拥有了使用权限,并不意味着购买了版权,文档只能用于自身使用,不得用于其他商业用途(如转卖或编辑后售卖)。
2、本站所有内容均由合作方或网友上传,本站不对文档的完整性、权威性及其观点立场正确性做任何保证或承诺!文档内容仅供研究参考,付费前请自行鉴别。
3、如文档内容存在违规,或者侵犯商业秘密、侵犯著作权等,请点击“违规举报”。

Q1.我下载的文件找不到了?

A.Windows电脑快捷键“Ctrl+j”,苹果(Mac)电脑按(“⌘+j”),(几乎适用所有的浏览器)。点击相应的快捷键后看电脑屏幕右上角!

聪慧造价库
实名认证
内容提供者

全国各城市信息价、造价指标、文件汇编、清单、定额、工程图集、规范、合同范本、造价案例文件等资料下载。助力每一个工程人和造价从业者!

确认删除?
回到顶部
VIP会员
开店赚钱
分销赚钱
客服微信
  • 问题、需求、建议 扫码添加微信客服
咨询电话
加QQ群
  • 造价交流群点击这里加入QQ群